Turinys
Elektros instaliacijos kabeliai, jungiklių tipai ir konstrukcija, jungiklio montavimas.

Šiuolaikiniame name neužtenka šviestuvo su jungikliu ir dviejų trijų kištukinių lizdų. Net ir būste be automatinio valdymo elektros instaliacijos yra daug, tam reikia ne vieno metro kabelių, ne vieno tipo jungiklių ir kištukinių lizdų. Naujos statybos namams yra rengiamas atskiras elektros projektas. Apie tai daugiau informacijos rasite straipsnyje „Elektros projektavimas ir instaliacija".
Priminsime, kad apšvietimo instaliacijai paprastai naudojami 1,5 kv.mm trigysliai kabeliai. Viena gysla - apsauginis įžeminimas, kiti du - fazė ir nulis. Rozetėms - kištukiniams lizdamas paprastai naudojami 2,5 kv. mm kabeliai, jie atlaiko standartines buitinių prietaisų apkrovas.
Didelės galios buities prietaisams (skalbyklė, džiovyklė, elektrinė viryklė, vandens šildytuvas ir pan.), nuo paskirstymo skydelio iki įrenginio vietos reikalingas atskiras kabelis. Galioja bendra taisyklė: kuo galingesnis įrenginys - tuo storesnis turi būti jo maitinimo kabelis.
Kabelius iki prietaisų instaliacijos vietų rekomenduojama tiesti vertikaliai nuo lubų ir horizontaliai, vengti įstrižų kabelių. Labai svarbu pasidaryti laidų sienose planą arba nuotrauką, kad vėliau, gręžiant sieną, būtų aišku, kur jie yra ir taip apsaugoti nuo pažeidimo.
Jungiklių montavimo aukštis
Jungikliai ir kištukiniai lizdai montuojami tam tikrame aukštyje ir tam tikrais atstumais. Jungiklius rekomenduojama montuoti 105 cm arba 115 cm aukštyje (arčiau durų rankenos, kaip nurodo „Elektros įrenginių įrengimo bendrosios taisyklės"), o rozetes - 30 cm ir 115 cm atstumu nuo grindų (pastarasis atstumas dažniausiai rekomenduojamas virtuvėse). Elektrikas Robertas Azaravičius sako, kad jungiklius galima montuoti bet kuriame aukštyje, bet, jo nuomone, patogiausias šviesos jungiklių aukštis nuo grindų yra 0,9 m arba 1-1,1m.
„Kokį aukštį pasirinksite priklauso nuo jūsų, aš visuomet rekomenduoju rinktis būtent 0,9 m aukštį nuo grindų, kadangi man asmeniškai tai yra patogiausia, kuomet užtenka nuleisti ranką žemyn ir paspausti jungiklį. Labiau reikėtų atkreiptį dėmesi į jungiklių pozicijas šalia durų, kad ateity nekiltų problemų montuojant durų staktą, atstumas nuo durų krašto iki jungiklio centro turėtų būti mažiausiai 15 cm", - sako praktikas.

Elektros instaliacijos projekto dalis - jungiklių planas.
Paslėptosios elektros instaliacijos vamzdžiai, kanalai ir lanksčios metalinės rankovės turi būti sandarūs. Draudžiama elektros kabelius pravesti ventiliacijos kanaluose ir šachtose. Ventiliacinius kanalus ir šachtas gali kirsti pavieniai laidai ir kabeliai, nutiesti plieniniuose vamzdžiuose. Tiesiant laidus ir kabelius virš kabamųjų lubų, reikia atsižvelgti į minėtų taisyklių nurodymus, taip pat į gyvenamųjų namų ir visuomeninės paskirties pastatų elektros įrenginiams keliamus reikalavimus.
Jungiklių tipai ir konstrukcija
Jungikliu vadiname elektros prietaisą, skirtą elektros grandinei sujungti ir nutraukti, t.y. priklausomai nuo svirtelės padėties jungiklis atlieka elektros srauto valdymo funkciją. Paprastai jungikliai elektros grandinėje vaizduojami kaip svirtelė, o šviesos šaltinis - apskritimas su X viduryje:

Jungiklių yra įvairių tipų. Dažniausiai naudojami jungiklių tipai yra:
- Svirtinis jungiklis (standartinis jungiklis kaip įjungimo ir išjungimo jungiklis). Jungiklis naudojamas vienai šviesai įjungti ir išjungti arba perjungimo grandinei su dviem perjungimo taškais realizuoti.
- Kryžminis jungiklis. Kryžminiu jungikliu galima įjungti šviesą iš trijų ar daugiau skirtingų taškų.
- Serijinis jungiklis. Leidžia atskirai junginėti du šviesos šaltinius tik su vienu jungikliu.
- Dvigubas perjungimo jungiklis. Du dvigubi perjungimo jungikliai leidžia įjungti du šviestuvus iš dviejų skirtingų vietų.
- Valdymo jungiklis. Valdymo jungiklis turi integruotą LED indikatorių, kuris rodo, ar šviestuvas įjungtas, ar išjungtas. Jis dažnai naudojamas vonios kambariuose arba lauko šviestuvams.
Pagal konstrukciją jungikliai gali būti klavišiniai, mygtukiniai, svirtiniai, liečiamo ekrano, sensoriniai, pagal montavimo vietą - potinkiniai įleidžiami arba virštinkiniai, montuojami virš apdailos. Standartinio jungiklio komplektacija gana paprasta: jungiklio mechanizmas, rėmelis, dangtelis - klavišas.

Jungiklio konstrukcija.
Pagal klavišų ir rėmelių medžiagą, iš kurios jie pagaminti, jungikliai gali būti plastikiniai, duroplasto, stiklo, aliuminio, žalvario, nerūdijančio plieno, keramikos. Didžioji dalis Vokietijos gamintojo JUNG jungiklių gaminami iš unikalaus duroplastiko, kuris yra itin kietas, atsparus įbrėžimams ir neblunkantis dėl UV poveikio. Šis gamintojas turi keletą dizaino serijų, unikalių spalvų, jungiklių klavišai ir rėmeliai gali būti keičiami. Net ir pakeitus interjerą ir sienų spalvą, nebūtina keisti jungiklio mechanizmo, kuris yra ilgaamžis.

Visi JUNG elektros prietaisai pasižymi aukščiausios kokybės techninėmis savybėmis ir elegantišku dizainu bei didele spalvų gama.
Elektros instaliacijoje svarbiausia yra teisingas laidų jungimas, mechaninis jungiklio ar rozetės įtvirtinimas, nors ir svarbus, bet tai jau antras etapas. Todėl labai svarbūs yra elektros instaliacijos projektas ir darbo brėžiniai su elektros grandinėmis. Profesionalūs elektrikai vadovaujasi elektros projektu, o jungimo schemas žino atmintinai. Elektros projekte prietaisai, tarp jų ir jungikliai, žymimi sutartiniais ženklais.

Sutartiniai elektros grandinės simboliai.
Jungiklių instaliacijos schemos
Pagal tarptautinį susitarimą skirtingi laidai žymimi skirtingomis spalvomis: ruda arba juoda spalva žymimas fazinis laidas (L), kuriuo teka elektros srovė, mėlyna - nulinis arba neutralus laidas (N), geltonas su žalia - įžeminimo laidas (PE). Įžeminimo laidas paprastuose jungikliuose nenaudojamas, jis reikalingas didelės įtampos įrenginiams, ekstremaliose vietose, šviestuvams su metaliniu korpusu. Jeigu yra atvestas, bet nereikalingas, paliekamas laisvas.

Elektros grandinė.
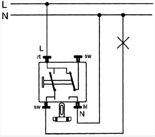
Vieno klavišo jungikliui pakanka dviejų kontaktų (L ir N) - vienas nueinančiai, kitas - ateinančiai fazei. Dviejų klavišų jungiklis reikalingas dviem šviestuvams arba lempų grupėms.

Vieno ir dviejų klaivišų jungimo schemos.
Norint junginėti šviestuvą iš dviejų vietų, reikalingas perjungiklis. Tokia šviesos valdymo schema naudojama koridoriuose, miegamuosiuose ir pan., vienam arba keliems lygiagrečiai sujungtiems šviestuvams. Vieno klavišo perjungiklis gali turėti tris kontaktus: ateinančiai ar nueinančiai fazei, kiti du - grandinėms tarp perjungiklių. Jei tą patį šviestuvą įjungti ar išjungti reikia iš trijų ar daugiau vietų, naudojamas kryžminis perjungiklis.

Perjungiklio ir kryžminio jungiklio pajungimo schemos.
Prieš perkant bei montuojant bet kurį jungiklį ar kištukinį lizdą, reikia pasitikrinti, kad elektros tinklo įtampa ir grandinės elektros srovė neviršytų vertės, nurodytos ant ant jungiklio ar rozetės korpuso arba gamintojo specifikacijoje. Pavyzdžiui, 6 A, 230 V. Kitu atveju elektros prietaisas ims kaisti ir gali sukelti gaisrą.
Instaliacinės dėžutės
Jungiklio mechanizmui įtvirtinti naudojamos instaliacinės dėžutės ir jungiklio rėmelis. Instaliacinės - montažinės dėžutės gylis (jos būna 47 arba 68 mm gylio) turi atitikti jungiklio mechanizmo dydį. Instaliacinės dėžutės skersmuo yra 68 mm. Nors yra ir mažesnių (35 mm) bei didesnių (74 mm) dėžučių, 68 mm yra standartinis skersmuo, standartinė forma - apvali, būna keturkampių, ovalių. Instaliacinės dėžutės būna vienos ar kelių vietų, gali būti jungiamos tarpusavyje, skirtos montavimui tuščiavidurėje sienoje, gipskartonyje, potinkinės, virštinkinės. Geros kokybės instaliacinės dėžutės turi specialias prispaudimo kojeles, dėl kurių dėžutė patikimai įsitvirtina.
Jungiklio montavimas
Jungiklių montavimą reikia atlikti prieš galutinę apdailą. Jeigu tai gipskartonio sienos - geriausia prieš siūlių glaistymą, jei mūras - prieš galutinį tinkavimą.
Jungiklio sumontavimui reikės įrankių. Tai žnyplės kabelio kirpimui, peiliukas, laidų nužievinimo replės, ilgasnapės replės, atsuktuvas, įtampos indikatorius, gulsčiukas.
Jungikliui skirtoje ir pažymėtoje vietoje karūniniu grąžtu gręžiama apvali ertmė, jos skersmuo turi būti 3-5 mm didesnis nei instaliacinės dėžutės skersmuo.
Prieš pradedant jungiklio montavimą labai svarbu įsitikinti, ar atjungta elektros srovė, tą galima patikrinti su įtampos indikatoriumi. Pirmiausia per instaliacinės dėžutės skyles įtraukiami kabeliai, dėžutėje turi būti maitinimo ir šviestuvo kabeliai. Į ertmę įstatoma montažinė dėžutė. Jei jungiklis montuojamas į mūrą, dėžutė įtvirtinama įkrėtus tinko mišinio, jei montuojama į gipskartonį - prisukama ir išlyginama. Pradžioje, kol neišlyginta, instaliacinė dėžutė įstatoma laisvai, galutinai neprisukant varžtų. Jeigu liko tarpai tarp sienos ir dėžutės, juos reikia užtepti tinko skiediniu. Reiktų stengtis, kad į dėžutės vidų nepatektų tinko mišinio.

Instaliacinės dėžutės įtvirtinimas mūro sienoje.
Įstačius dėžutę nuo laidų nuimama bendra izoliacija, įpjovus ją peiliuku, ir laidai patrumpinami iki 10-15 cm ilgio. Laidų nužievinimo žnyplėmis nuo laidų galų nuimama maždaug 1-1,5 cm izoliacijos, kiek tiksliai, būna nurodyta ant jungiklio mechanizmo.
Į du jungiklio mechanizmo gnybtus įstatome fazės ir neutralės laidus (L ir N). Į kurį gnybtą, nesvarbu, tačiau paprastai išjungiant lempą perjungiamasis jungiklis būna nuspaustas žemyn.

Vieno klavišo jungiklio laidų pajungimas. JUNG jungikliai turi laidą fiksuojančius griebtuvus, kurie nejudamai įtvirtina laidus.
Laidai neturi būti įtempti, jie laisvai įstumiami į dėžutę. Jungiklio mechanizmas įstatomas į dėžutę, į jos kraštus jis remiasi atraminiu žiedu. Uždengiamas rėmeliu ir dangteliu.

Patikrinamas mechanizmo lygumas ir prisukami įtvirtinimo varžteliai, mechanizmas uždengiamas rėmeliu ir įstatomas klavišas.
Jungiklio montavimas lygiai su sienos paviršiumi
Bet kuriam interjerui prabangos suteikia lygiai su sienos plokštuma sumontuoti jungikliai. Tokie yra JUNG LS Zero serijos jungikliai ir kištukiniai lizdai.

JUNG LS Zero serijos jungiklius ir kištukinius lizdus galima sumontuoti lygiai su sienos plokštuma, nepriklausomai nuo paviršiaus medžiagos. Kiti JUNG jungikliai iškilę virš sienos plokštumos per 3 mm.
Montuojant JUNG LS Zero jungiklį į gipskartonį, būtina sąlyga yra dviejų (po 12,5 mm) gipso kartono plokščių sluoksnis, naudojama sausajai statybai, t.y., gipskartoniui skirta instaliacinė dėžutė.
Ant sienos pasižymimas jungiklio centras ir uždėjus komplekte esantį šabloną apibrėžiami įgilinimo kontūrai.

Lygiai su sienos paviršiumi montuojamų JUNG LS Zero jungiklių ir kištukinių lizdų šablonas ir montavimo rėmelis.
Su freza išpjaunamas viršutinis gipskartonio plokštės sluoksnis, į instaliacinę dėžutę ištraukiami laidai, įstatoma instaliacinė dėžutė, ji, sukant varžtelius, specialiais sparneliais prisitvirtina prie antro gipskartonio plokštės sluoksnio. Naudojant gipskartoniui skirtą instaliacinę dėžutę, sukant dėžutės tvirtinimo varžtelį sparnelis prisipaudžia prie gipskartonio ir dėžutė patikimai įsitvirtina sienoje.
Į įgilinimą įstatomas montavimo rėmelis. Montavimo rėmelio perimetru susidarę tarpai užlyginami išlyginamuoju ar siūlių glaistymo mišiniu. Kai jis išdžiūsta, nušlifuojamas ir tolimesnė apdaila kaip ir visos gipskartonio sienos.

Rėmelio užtinkavimas ir apdaila.
Jungiklis su šviesos diodu
Iš JUNG gaminių pasirinkus jungiklį su integruota kontroline lempute, nebereikia ieškoti jungiklio tamsoje: šviesos jungikliai su indikatoriais turi nedidelį šviesos elementą. Jis gali apšviesti patį jungiklį arba parodyti, ar šviesa kitoje patalpoje vis dar įjungta. Ypač naktį, kai reikia įjungti ne visas šviesas, jie nepastebimai parodo kelią arba parodo, jog vonios kambaryje dega šviesa, vadinasi, jis užimtas.

JUNG 506 KOE jungiklis ir šviesos diodo lemputė. Jungiklio su lempute mechanizmas niekuo nesiskiria nuo standartinio JUNG jungiklio, išskyrus tai, jog yra vieta lemputei įstatyti.
Jungiklis su šviesos indikatoriumi skirtas iki 2,5 kv. mm laidams, instaliacinės dėžutės gylis - 43 mm. Kontrolinio jungiklio pajungimo schema:

Atkreipiame dėmesį, jog šiam jungikliui reikalingas neutralės laidas. Visas kitas montavimas kaip ir įprastų jungiklių. Šviečiančią lemputę galima pakeisti šviesos diodų lempa Nr. 90-LED.. (230 V) arba 961248 LED (žemos įtampos).

Jungiklis su šviesos diodu.
Apšviesti jungikliai gali atlikti dvi skirtingas funkcijas. Paprasčiausiu atveju apšviestas jungiklis tamsiuose koridoriuose ar patalpose nurodo savo padėtį ant sienos, kad nepažįstami žmonės tamsoje galėtų kuo greičiau rasti jungiklį. Kita vertus, vadinamieji kontroliniai jungikliai rodo prijungtos apkrovos būseną. Tokių jungiklių pavyzdys - namo lauko zonoje (priešais lauko duris arba terasoje) esančios lempos, kurios įjungiamos iš vidaus. Vonios ir (arba) tualeto šviesos jungikliai paprastai būna patalpos išorėje ir įjungti rodo, kad tualetas naudojamas.
ASA.LT informacija, parengta bendradarbiaujant su UAB „JUNG Vilnius", įmonės nuotraukos
Geriausi temos straipsniai
Antibakterinis šviesos jungiklis
Antibakteriniai jungikliai, jungikliai su sidabro jonais, biocidiniai produktai
Apsauga nuo žaibo
Franklino žaibolaidžiai, aktyvieji žaibolaidžiai, apsaugos nuo žaibo sistema, skirtumas tarp tradicinio ir aktyviojo žaibolaidžio
Apšvietimo valdymas ir reguliavimas
Jungiklių ir šviestuvų pajungimo schemos, šviesos reguliavimo pajungimo schemos. Jungikliai, perjungikliai, šviesos reguliatoriai, išplėtėjai.
Automatiniai vartai
Automatinių garažo vartų tipai, automatinių garažo vartų įrengimas, kokius automatinius vartus rinktis,
Belaidė namo valdymo sistema
Paprastesnis ir visiems prieinamas būdas protingiems namams įsirengti - decentralizuotas belaidis tinklas. Nereikia atskirų laidų ir instaliacijos, netgi interneto. Sistemos valdymas vyksta programėle, be interneto.
Darbo vietos patalpos viduryje įrengimas
Kaip darbo vietas centriniuose patalpos plotuose aprūpinti komunikacijomis, jei biuro patalpos didelės ir nesuskaidytos pertvaromis?
Durų kontrolės ir valdymo įranga
Durų valdymo elementai
Elektriko studijos kolegijoje
Elektriko profesijos perspektyvos, ar verta rinktis elektriko profesiją, kur mokytis elektriko specialybės
Elektros generatoriai
Kaip pasirinkti elektros generatorių, elektros generatoriaus techninės charakteristikos, elektros generatorius namui
Elektros instaliacija
Instaliacinės medžiagos - kabeliai, laidai, instaliaciniai vamzdžiai, elektros skydeliai, montažinės dėžutės ir kt. Elektros įranga bei komplektai vidaus ir lauko tinklams.
Produktas kategorijos apacioje
| Paveikslėlis | Pavadinimas | Trumpas aprašymas | Kaina |
|---|---|---|---|
|
|
Elektros darbai Vilnius | Elektros Instaliacijos Darbai Vilniuje, Senos Elektros Instaliacijos Keitimas Vilnius, Elektros Instaliacijos įrengimas Vilnius, Elektros Instaliacija Name Vilnius, Elektros Instaliacija Bute Vilnius, Elektros Instaliacijos Darbai Kaina Vilnius | |
|
|
Elektros instaliacijos kaina | Elektros Instaliacijos Darbų Kaina, Apšvietimo įrengimo Kaina, Laidų Tiesimo Kaina | |
|
|
Elektros instaliaciniai laidai Vilniuje | Visos Elektros Instaliacijos Prekės Vilniuje Iš Vienų Rankų | €0.00 |
|
|
Kabelio skersmens skaičiuoklė Prysmian | Prysmian Kabelio Pasirinkimo Ir Apskaičiavimo Programa Pagal Kabelio Tipą, Pastato Kategoriją Ir Montavimo Būdą | €0.00 |
|
|
REHAU gaminamas elektros instaliacinis kanalas signo BS iš plieninių lakštų | Iš Plieninių Lakštų Gaminamas Rehau Elektros Instaliacinis Kanalas Signo Bs Sujungia Meistriškumą Su Laiko Patikrinta Kokybe | |
|
|
Saulės elektrinės įrengimas Kaune | Saulės Elektrinių Montavimas Kaunas, Saulės Elektrinių Inverteriai, Moduliai, Kaupikliai Kaune | |
|
|
Saulės elektrinės įrengimas Vilniuje | Saulės Elektrinės Montavimas Vilnius, Saulės Moduliai Vilnius, Saulės Elektrinės Inverteriai Vilniuje | |
|
|
Savireguliuojantys šildymo kabeliai - vamzdynų, latakų ir lietvamzdžių apsauga nuo užšalimo | Latakų Apsauga Nuo Užšalimo Ir Varveklių | €0.00 |
Verslo skelbimai
Naujausi įmonių verslo skelbimai
Straipsniai
Instrukciniai straipsniai abėcėlės tvarka
ASATV kanalo filmai
Rozetės montavimas
Rozetės montavimas, rozetės jungiklių instaliavimas
Šildomų grindų įrengimas
Lengvai suprantamas šildomų grindų įrengimas kambaryje